欢迎您来到中华陶瓷网
[简体版]
[繁體版]
[网通站]
会员中心
RSS定阅
留言
关于我们
客服中心
网站首页
行业专题
人物专访
陶瓷收藏
电子杂志
陶瓷装饰
经营管理
会员服务
广告服务
直通产区
福建德化
景德镇市
佛山潮州
山东淄博
湖南醴陵
河北唐山
本网动态
网站建设
首页
资讯
企业
产品
供应
求购
展会
招聘
搜索
文化
商城
名家
技术
图库
百科
营销管理
陶瓷之路
首页
国内
国际
专题
展会
企业
法规
科技
人物
装饰
原料
产区
:
德化
广东
江西
山东
湖南
四川
河北
晋江
其它
|
日用陶瓷
工艺陶瓷
建筑陶瓷
原料辅料
卫浴陶瓷
陶瓷机械
新闻搜索
您的位置:
首页
>
行业资讯
>>
国内动态
>>
原料辅料
>>|
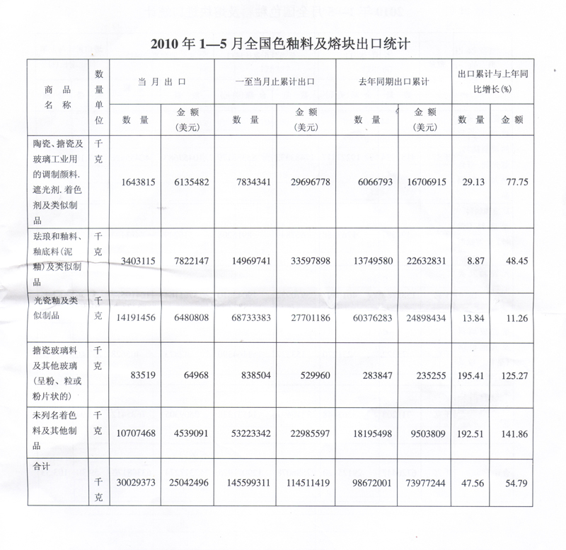
2010年1-5月全国色釉料及熔块出口统计
发布:
2010-8-3 9:23:38
来源:
中华陶瓷网
[字体:
大
中
小
]
上一页
[1]
下一页
【返 回】
【
打印新闻
】【
关闭窗口
】
共有
条网友评论 【
发表评论
】
·推荐产品
更多...
同乐
包邮特价:360
荷叶瓶
特价:499
辉煌腾达
特价:488
幽梦
包邮特价:1299
陆羽品茶
包邮特价:888
凌云骓
特价:488
自在春风
特价:599
欢天
特价:999
竹之语
包邮特价:1999
和和美美 甜甜蜜蜜
包邮特价:699
烟雨江南
包邮特价:2999
上善若水
包邮特价:2660
·本类最新
更多...
>> 国际新闻
更多....
>> 福建德化
更多....
>> 广东产区
更多....
>> 江西产区
更多....
>> 企业新闻
更多....
关于我们
本站新闻
产品服务
帮助中心
版权声明
网站导航
友情链接
RSS定阅
新闻调用
联系我们
留言
版权所有 (C) 2006-2014 中华陶瓷网 Ctaoci.com 电子邮件:wxchina#qq.com
闽ICP备10020107号-1
扫一扫
关注官方微信